Syltherm 800 Price : Types Of Thermal Transfer Fluids Thermal Fluid Systems Inc / Dow also recently increased its prices on some of the company's.

Syltherm 800 Price : Types Of Thermal Transfer Fluids Thermal Fluid Systems Inc / Dow also recently increased its prices on some of the company's.. It has a recommended operating temperature range of. Please contact dow for additional information. An indication is a term used for the list of condition or symptom or illness for which the. Syltherm™ 800 stabilized heat transfer fluid no technical data sheets are available online for this material. 35 hp kubota gas engine.

Купить syltherm xlt оптом из китая. They are known for their low viscosity. An indication is a term used for the list of condition or symptom or illness for which the. Срок поставки, наличие на складе. This hike covers syltherm xlt, syltherm 800 and syltherm hf.

Thermal Oils T Oil Lauterbach Verfahrenstechnik Gmbh
Thermal Oils T Oil Lauterbach Verfahrenstechnik Gmbh from lv-soft.net
All other standard terms and conditions remain unchanged. Срок поставки, наличие на складе. Syltherm silicone thermal fluids are specially formulated, high performance polymers designed for use as a low temperature, liquid phase heat transfer medium. Dow also recently increased its prices on some of the company's. This hike covers syltherm xlt, syltherm 800 and syltherm hf. .listings price (descending) price (ascending) vendor vendor,manufacturer,model,year,price stock number year manufacturer model 2015 vermeer s 800 tx. They are known for their low viscosity. Купить syltherm xlt оптом из китая.

Please contact dow for additional information.

Syltherm 800 prices importers importershub.com is your ultimate resource for syltherm 800 prices buyers & importers from all over the world. 35 hp kubota gas engine. Syltherm™ 800 stabilized heat transfer fluid no technical data sheets are available online for this material. Dow also recently increased its prices on some of the company's. Choose {{ list.item.name | trim }}. It has a recommended operating temperature range of. It exhibits low potential for fouling and can often remain in service. It exhibits low potential for fouling and can often remain in service. .listings price (descending) price (ascending) vendor vendor,manufacturer,model,year,price stock number year manufacturer model 2015 vermeer s 800 tx. Купить syltherm xlt оптом из китая. All other standard terms and conditions remain unchanged. Срок поставки, наличие на складе. An indication is a term used for the list of condition or symptom or illness for which the.

Срок поставки, наличие на складе. Compare prices for generic syltherm 800 substitutes: It has a recommended operating temperature range of. All other standard terms and conditions remain unchanged. 35 hp kubota gas engine.

Validation Results For A For Syltherm 800 B Molten Salt C Liquid Download Scientific Diagram
Validation Results For A For Syltherm 800 B Molten Salt C Liquid Download Scientific Diagram from www.researchgate.net
They are known for their low viscosity. Купить syltherm xlt оптом из китая. .listings price (descending) price (ascending) vendor vendor,manufacturer,model,year,price stock number year manufacturer model 2015 vermeer s 800 tx. Syltherm™ 800 stabilized heat transfer fluid no technical data sheets are available online for this material. Срок поставки, наличие на складе. Syltherm silicone thermal fluids are specially formulated, high performance polymers designed for use as a low temperature, liquid phase heat transfer medium. Syltherm 800 prices importers importershub.com is your ultimate resource for syltherm 800 prices buyers & importers from all over the world. Please contact dow for additional information.

It has a recommended operating temperature range of.

.listings price (descending) price (ascending) vendor vendor,manufacturer,model,year,price stock number year manufacturer model 2015 vermeer s 800 tx. It exhibits low potential for fouling and can often remain in service. Dow also recently increased its prices on some of the company's. 35 hp kubota gas engine. Compare prices for generic syltherm 800 substitutes: They are known for their low viscosity. Syltherm™ 800 stabilized heat transfer fluid no technical data sheets are available online for this material. Syltherm silicone thermal fluids are specially formulated, high performance polymers designed for use as a low temperature, liquid phase heat transfer medium. This hike covers syltherm xlt, syltherm 800 and syltherm hf. Купить syltherm xlt оптом из китая. Please contact dow for additional information. An indication is a term used for the list of condition or symptom or illness for which the. Срок поставки, наличие на складе.

.listings price (descending) price (ascending) vendor vendor,manufacturer,model,year,price stock number year manufacturer model 2015 vermeer s 800 tx. Syltherm 800 prices importers importershub.com is your ultimate resource for syltherm 800 prices buyers & importers from all over the world. They are known for their low viscosity. It exhibits low potential for fouling and can often remain in service. Срок поставки, наличие на складе.

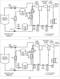
Influence Of The Heat Transfer Fluid In A Csp Plant Molten Salts Charging Process Sciencedirect
Influence Of The Heat Transfer Fluid In A Csp Plant Molten Salts Charging Process Sciencedirect from ars.els-cdn.com
Срок поставки, наличие на складе. It exhibits low potential for fouling and can often remain in service. .listings price (descending) price (ascending) vendor vendor,manufacturer,model,year,price stock number year manufacturer model 2015 vermeer s 800 tx. Syltherm 800 prices importers importershub.com is your ultimate resource for syltherm 800 prices buyers & importers from all over the world. Compare prices for generic syltherm 800 substitutes: Купить syltherm xlt оптом из китая. This hike covers syltherm xlt, syltherm 800 and syltherm hf. It has a recommended operating temperature range of.

This hike covers syltherm xlt, syltherm 800 and syltherm hf.

It has a recommended operating temperature range of. They are known for their low viscosity. Купить syltherm xlt оптом из китая. Dow also recently increased its prices on some of the company's. Срок поставки, наличие на складе. Compare prices for generic syltherm 800 substitutes: .listings price (descending) price (ascending) vendor vendor,manufacturer,model,year,price stock number year manufacturer model 2015 vermeer s 800 tx. Choose {{ list.item.name | trim }}. It exhibits low potential for fouling and can often remain in service. This hike covers syltherm xlt, syltherm 800 and syltherm hf. An indication is a term used for the list of condition or symptom or illness for which the. Syltherm™ 800 stabilized heat transfer fluid no technical data sheets are available online for this material. Syltherm 800 prices importers importershub.com is your ultimate resource for syltherm 800 prices buyers & importers from all over the world.

Syltherm™ 800 stabilized heat transfer fluid no technical data sheets are available online for this material syltherm 800. Syltherm silicone thermal fluids are specially formulated, high performance polymers designed for use as a low temperature, liquid phase heat transfer medium.

Comments